留言板

尊敬的读者、作者、审稿人, 关于本刊的投稿、审稿、编辑和出版的任何问题, 您可以本页添加留言。我们将尽快给您答复。谢谢您的支持!

姓名
邮箱
手机号码
标题
留言内容
验证码

惯容系统对轨道交通车辆段上盖建筑的振动控制研究

韩东宇 王安斌

韩东宇, 王安斌. 惯容系统对轨道交通车辆段上盖建筑的振动控制研究[J]. 上海工程技术大学学报, 2025, 39(2): 125-130. doi: 10.12299/jsues.24-0048
引用本文: 韩东宇, 王安斌. 惯容系统对轨道交通车辆段上盖建筑的振动控制研究[J]. 上海工程技术大学学报, 2025, 39(2): 125-130. doi: 10.12299/jsues.24-0048
HAN Dongyu, WANG Anbin. Research on vibration control of building over rail transit depot by inerter system[J]. Journal of Shanghai University of Engineering Science, 2025, 39(2): 125-130. doi: 10.12299/jsues.24-0048
Citation: HAN Dongyu, WANG Anbin. Research on vibration control of building over rail transit depot by inerter system[J]. Journal of Shanghai University of Engineering Science, 2025, 39(2): 125-130. doi: 10.12299/jsues.24-0048

惯容系统对轨道交通车辆段上盖建筑的振动控制研究

doi: 10.12299/jsues.24-0048
基金项目: 国家自然科学基金(52178441);中国国家铁路集团科技研究开发计划(L2021G005)
详细信息
    作者简介:

    韩东宇(1997 – ),男,硕士生,研究方向为振动噪声控制。E-mail:243632160@qq.com

    通讯作者:

    王安斌(1961 – ),男,教授,博士,研究方向为振动噪声控制。E-mail:wangab725@163.com

  • 中图分类号: U231

Research on vibration control of building over rail transit depot by inerter system

  • 摘要: 以惯容系统及双层轨道交通车辆段上盖建筑为研究对象,建立并验证有限元模型,探究不同类型及惯质比的惯容系统对车辆段上盖建筑振动控制的效果。结果表明,黏滞惯容阻尼器(VMD)、调谐惯质阻尼器(TID)和调谐黏滞质量阻尼器(TVMD)等3种惯容系统均能有效降低上盖建筑各楼层的Z振级,且随着惯质比的增大,减振效果越显著。不同惯质比的TID和TVMD的Z振级减小幅值较大,可达1 dB~3 dB;而VMD减振效果相对较弱,Z振级减小幅度约1 dB。
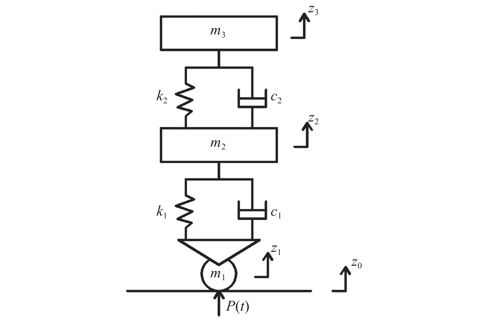
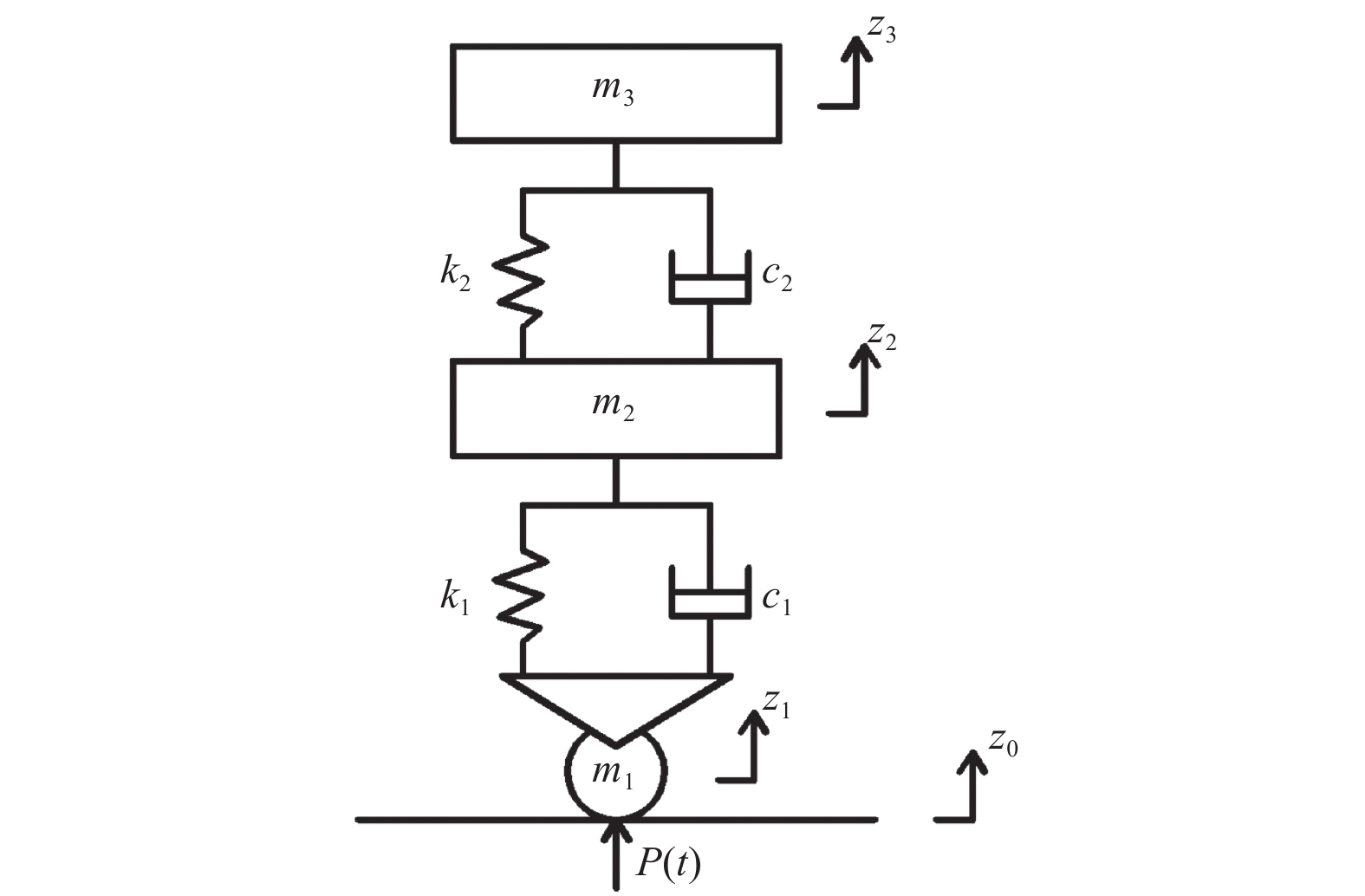
  • 图  1  列车垂向振动简化模型

    Figure  1.  Simplified model of the vertical vibration of trains

    图  2  列车垂向振动荷载

    Figure  2.  Load of vertical vibration from trains

    图  3  车辆段运用库及上盖建筑三维模型

    Figure  3.  Three dimensional model of operation depot and over-tack building

    图  4  建筑平面图

    Figure  4.  Architectural plan

    图  5  验证点位置

    Figure  5.  Locations of verification points

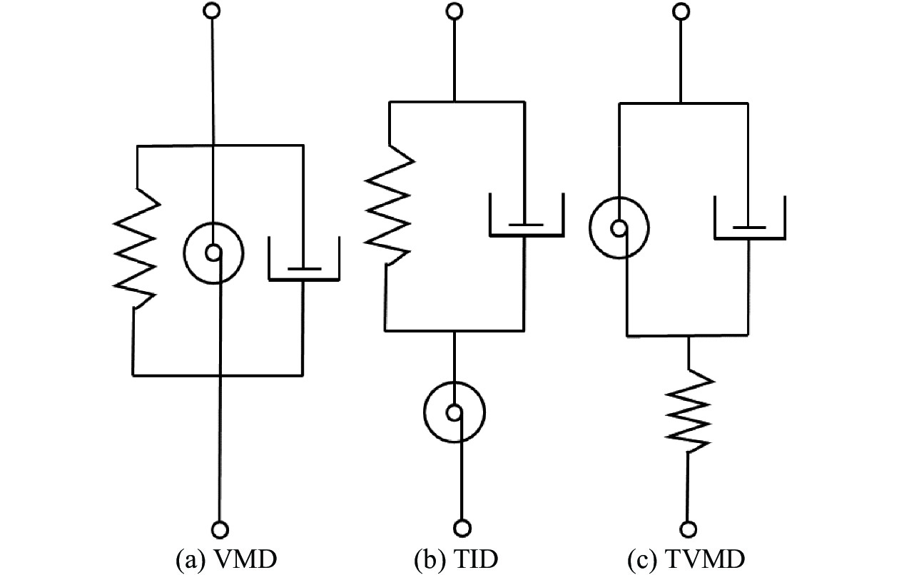
    图  6  惯容系统类型

    Figure  6.  Mechanical layouts of inerter systems

    图  7  VMD减振的上盖建筑振动传递规律

    Figure  7.  Vibration propagation law of over-track building under VMD vibration reduction

    图  9  TVMD减振的上盖建筑振动传递规律

    Figure  9.  Vibration propagation law of over-track building under TVMD vibration reduction

    图  8  TID减振的上盖建筑振动传递规律

    Figure  8.  Vibration propagation law of over-track building under TID vibration reduction

  • [1] 张莉莉. 地铁邻近建筑三维隔振(震)支座力学性能试验及减振效应分析[D] . 上海: 上海大学, 2021.
    [2] 夏靖. 车辆段上盖结构振动控制关键技术研究[D] . 青岛: 青岛理工大学, 2018.
    [3] 曹志亮. 高架地铁车库—上盖物业振动舒适度与控制研究[D] . 南京: 东南大学, 2018.
    [4] 赵娜. 地铁上盖物业的振动舒适度研究[D] . 武汉: 武汉理工大学, 2012.
    [5] 袁葵. 地铁车辆段上盖建筑车致振动特性分析与隔振研究[D] . 武汉: 武汉理工大学, 2019.
    [6] 丁超. 地铁上盖超高层结构多级竖向减振效果研究[D] . 广州: 广州大学, 2022.
    [7] 邹超. 地铁车辆段及上盖建筑物振动传播规律及减振技术研究[D] . 广州: 华南理工大学, 2017.
    [8] 郑照怡. 地铁上盖框架结构的隔振减振措施研究[D] . 广州: 华南理工大学, 2018.
    [9] 张瑞甫, 曹嫣如, 潘超. 惯容减震(振)系统及其研究进展[J] . 工程力学, 2019, 36(10): 8 − 27.
    [10] 孙晓静. 地铁列车振动对环境影响的预测研究及减振措施分析[D] . 北京: 北京交通大学, 2008.
    [11] 刁兆顺. 惯容减震桥梁结构的控制机理及性能[D] . 烟台: 烟台大学, 2023.
  • 加载中
图(9)
计量
  • 文章访问数:  241
  • HTML全文浏览量:  182
  • PDF下载量:  38
  • 被引次数: 0
出版历程
  • 收稿日期:  2024-03-03
  • 网络出版日期:  2025-09-30
  • 刊出日期:  2025-06-30

目录

    /

    返回文章
    返回